- Химический состав и свойства нержавеющей стали Степень коррозионной стойкости сплава можно определить содержанию основных элементов сплава - хрома и никеля. Если содержание хрома в сплаве больше 12% - это уже нержавеющий металл в обычных условиях и в слабоагрессивных средах. При содержании хрома более 17% в сплаве, это коррозионностойкий сплав в агрессивных средах (например, в 50% концентрированной азотной кислоте). В зоне контакта хромсодержащего сплава с агрессивной средой образуется защитная оксидная плёнка, которая защищает сплав от воздействия окружающей среды. Коррозионная стойкость нержавеющей стали проявляется именно из-за наличия защитной плёнки. Кроме того, большое значение имеют такие характеристики: однородность металла, состояние поверхности, отсутствие склонности межкристаллической коррозии. Виды нержавеющей стали Н/ж сталь бывает магнитной (ферритный класс) или немагнитной (аустенитный класс). Магнитные свойства не влияют на эксплуатационные характеристики нержавеющей стали, в частности на коррозионную стойкость. Различие магнитных свойств - это следствие различия внутренней структуры сталей, которая напрямую зависит от химического состава нержавейки. Изделия из аустенитных нержавеющих сталей при нормальных условиях - немагнитные, но после холодного деформирования (любой мехобработки) могут проявлять некоторые магнитные свойства (часть аустенита превращается в феррит). Каждый материал характеризуется способностью намагничиваться, это применимо и к нержавеющим сталям. В сегодняшнее время одними из самых потребляемых зарубежных марок стали в СНГ являются AISI 304 (аналог 08Х18Н10) и AISI 430 (улучшенный аналог стали 08Х17) Сталь AISI 304 является немагнитной аустенитный класс), AISI 430 – магнитной (ферритный класс).
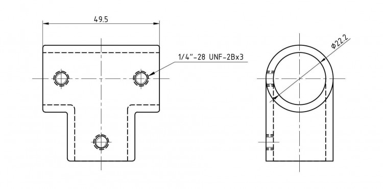
- Производитель: - Kofuku - barcode: - 66043_Kof - Страна производителя: - Тайвань - Вес: - 0 кг - Материал: - Нержавеющая сталь - Articul: - 00017464 - Марка стали: - ASTM CF8M / 316SS - Для трубы: - 22 - Угол: - 90 
- Пока отзывов нет...Оставьте первый комментарий!Оставьте отзыв об этом товаре первым! 
 Екатеринбург
Ваш город Екатеринбург?

 
                                                         
                                                            

