- Помывочный комплект SEAFLO идеально подойдет для очистки палубы судна, якорных цепей, резиновой лодки. Данный насос может похвастаться огромной производительностью 19 литра в минуту. Основные параметры: -Пятикамерный самовсасывающий мембранный насос, способный работать всухую - Высота всасывания 1,8 м - Давление отключения 4,8 BAR (± 0,3 BAR) - Регулируемый опрыскиватель - Тихая работа Комплектация: - Водоподающая помпа - Шланг - 6,5 м - Сетчатый фильтр - Переходник для подключения шланга - Насадка с распылителем - Переходник 1/2'' -14 FNPT x 1/2'' Barb (12,7 мм) - 2шт
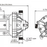
Производитель: SeaFlo Тип: Мембранный Вес: 4.2 кг Материал: Пластик Длина: 0.16 м Ширина: 0.32 м Высота: 0.28 м Габариты: 216x146x131 Давление, бар: 4.8 Диаметр выпускного патрубка, мм: 20.95 Производительность, Л/МИН: 18.9 Напряжение, В: 12 Диаметр входного патрубка, мм: 20.95 Исполнение: Электрический, 12в Производительность, gph: 300 - Пока отзывов нет...Оставьте первый комментарий!
Оставьте отзыв об этом товаре первым!
Екатеринбург
Ваш город Екатеринбург?





