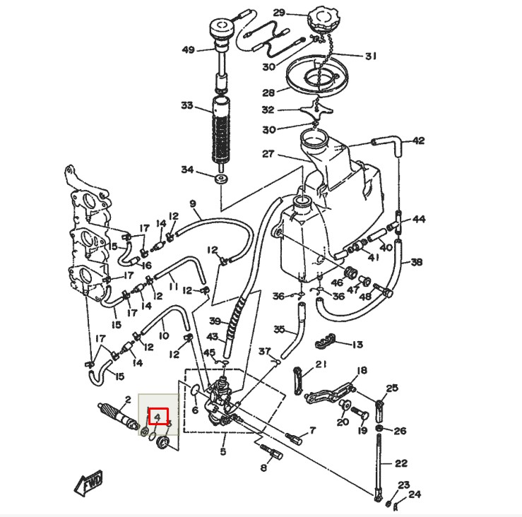
- Для сборки этого узла требуется 1 шт.
Бренд: Yamaha Производитель: YAMAHA Состояние товара: Новый Длина: 15 см Ширина: 1.5 см Высота: 0.1 см - Пока отзывов нет...Оставьте первый комментарий!
Оставьте отзыв об этом товаре первым!
Екатеринбург
Ваш город Екатеринбург?



