- Химический состав и свойства нержавеющей стали Степень коррозионной стойкости сплава можно определить содержанию основных элементов сплава - хрома и никеля. Если содержание хрома в сплаве больше 12% - это уже нержавеющий металл в обычных условиях и в слабоагрессивных средах. При содержании хрома более 17% в сплаве, это коррозионностойкий сплав в агрессивных средах (например, в 50% концентрированной азотной кислоте). В зоне контакта хромсодержащего сплава с агрессивной средой образуется защитная оксидная плёнка, которая защищает сплав от воздействия окружающей среды. Коррозионная стойкость нержавеющей стали проявляется именно из-за наличия защитной плёнки. Кроме того, большое значение имеют такие характеристики: однородность металла, состояние поверхности, отсутствие склонности межкристаллической коррозии. Виды нержавеющей стали Н/ж сталь бывает магнитной (ферритный класс) или немагнитной (аустенитный класс). Магнитные свойства не влияют на эксплуатационные характеристики нержавеющей стали, в частности на коррозионную стойкость. Различие магнитных свойств - это следствие различия внутренней структуры сталей, которая напрямую зависит от химического состава нержавейки. Изделия из аустенитных нержавеющих сталей при нормальных условиях - немагнитные, но после холодного деформирования (любой мехобработки) могут проявлять некоторые магнитные свойства (часть аустенита превращается в феррит). Каждый материал характеризуется способностью намагничиваться, это применимо и к нержавеющим сталям. В сегодняшнее время одними из самых потребляемых зарубежных марок стали в СНГ являются AISI 304 (аналог 08Х18Н10) и AISI 430 (улучшенный аналог стали 08Х17) Сталь AISI 304 является немагнитной аустенитный класс), AISI 430 – магнитной (ферритный класс).
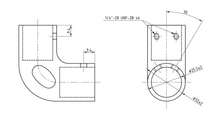
Производитель: Kofuku barcode: 66192_Kof Страна производителя: Тайвань Вес: 0 kg Материал: Нержавеющая сталь Articul: 00009704 Марка стали: ASTM CF8M / 316SS Для трубы: 25 Угол: 90 Ключ: шестигранник 1/8" - There is no reviews yet...Be the first!
Be the first to write a review of this product!
Екатеринбург
Ваш город Екатеринбург?




