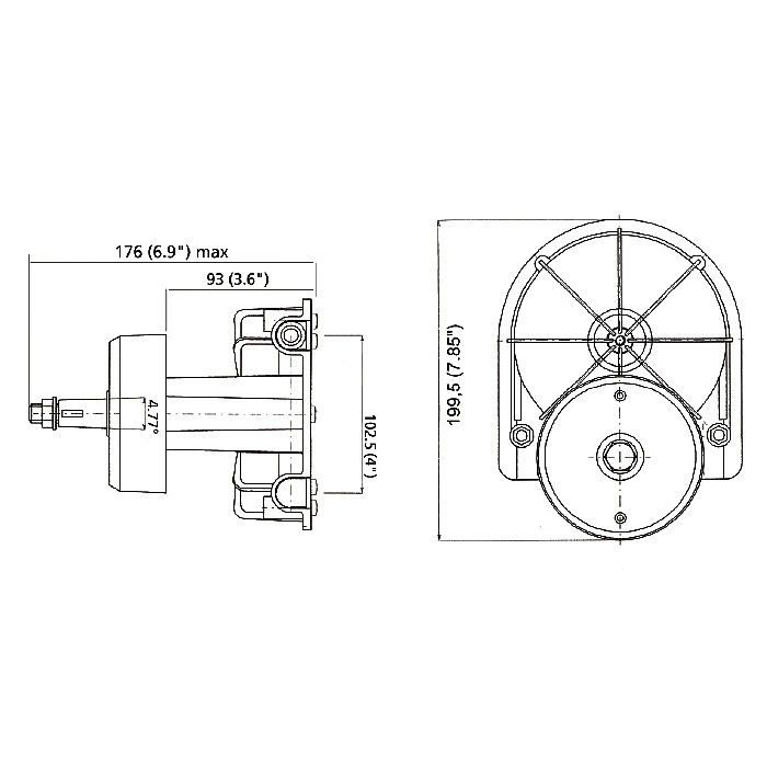
- Привод рулевой для подвесных лодочных моторов мощностью свыше 55 л.с. Полная перекладка руля осуществляется за три оборота. Ход 228 мм. Толкающее усилие 340 кг. Минимальный радиус изгиба кабеля 200 мм. Верхний кожух чёрного цвета и принадлежности для установки входят в комплект поставки. Применяется с рулевым тросом m66, M90MACH
Производитель: Ultraflex Мощность мотора: Свыше 55 л.с. Вес: 2.3 кг Длина: 0.19 м Ширина: 0.2 м Высота: 0.16 м Использование с тросом рулевого управления: M66 Полная перекладка руля: 3 Оставьте отзыв об этом товаре первым!
Екатеринбург
Ваш город Екатеринбург?




