- Мембранная самовсасывающая автоматическая помпа SEAFLO применяется для подачи водоснабжения. Благодаря большой пятикамерной диафрагме, помпа способна прокачать большой объем воды за один цикл. Основные параметры: - Обеспечивает до 4 потребителей одновременно - Низкое стартовое давление, сокращает время цикличности - Можно использовать для пресной и соленой воды - Пыленепроницаемый корпус - Соответствует стандартам RoHS, SGS и ISO Комплектация: Водоподающая помпа Переходник 1/2'' -14 FNPT x 1/2'' Barb (12.7 мм) - 2 шт Сетчатый фильтр Пример работы насоса
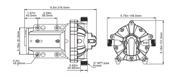
Производитель: SeaFlo Тип: Мембранный Вес: 3.3 кг Материал: пластик Длина: 0.15 м Ширина: 0.3 м Высота: 0.17 м Производительность, Л/МИН: 15 Напряжение, В: 12 Диаметр выпускного патрубка, мм: 20,95 Исполнение: Электрический, 12в Диаметр входного патрубка, мм: 20,95 Производительность, gph: 235 Габариты: 216x146x131 Давление, бар: 4,2 Оставьте отзыв об этом товаре первым!
Екатеринбург
Ваш город Екатеринбург?






