Предыдущий товар
Кольцо уплотнительное обоймы гребного вала Yamaha 25-30 (93210-64ME7)
Следующий товар
Кольцо уплотнительное обоймы сальников коленвала Yamaha 40X (93210-65M50;40F-01.06.00.24;PNFM40E-020
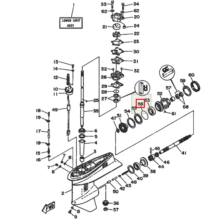
Кольцо уплотнительное обоймы гребного вала Yamaha 40-70 (93210-66M98) (Omax2), арт. 93210-66M98_OM, РРЦ РАЗНОЕ
- _
Бренд: Yamaha Производитель: РРЦ РАЗНОЕ Состояние товара: Новый Длина: 15 см Ширина: 1.5 см Высота: 0.1 см Оставьте отзыв об этом товаре первым!



