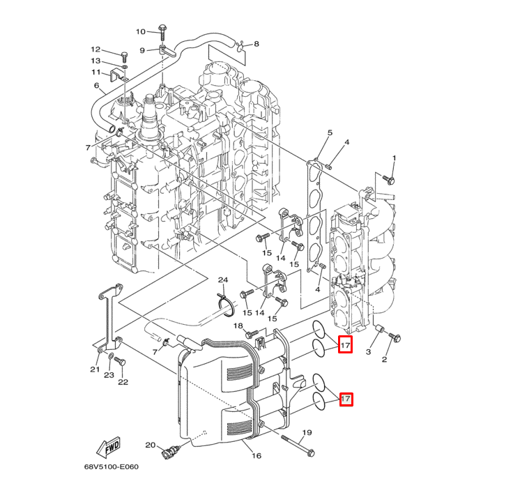
Уплотнительное кольцо впуска Yamaha F115 (Yamaha) артикул 93210-48MJ9 производителя YAMAHA купить в Урал-марин по цене от 518,10 руб..
Бренд: Yamaha Производитель: YAMAHA Состояние товара: Новый Страна производства: Япония Длина: 15 см Ширина: 1.5 см Высота: 0.1 см Оставьте отзыв об этом товаре первым!
Екатеринбург
Ваш город Екатеринбург?


