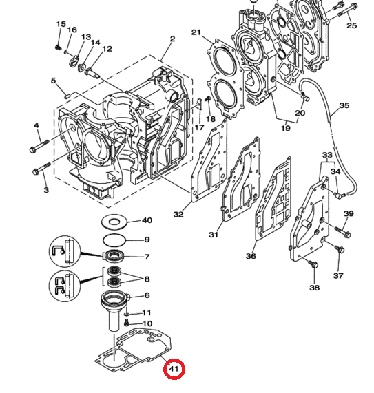
- Прокладка под блок для лодочного мотора Yamaha 25-30 (1993-2010) Так-же подходит для китайских аналогов Yamaha OEM: 61T-45113-A0-00, 61T45113A000, 61T-45113-A0, 61T45113A0, 61T 45113 A0
Бренд: Yamaha Производитель: SINERA Вес: 0.085 кг Длина: 0.265 м Ширина: 0.195 м Высота: 0.003 м Оставьте отзыв об этом товаре первым!
Екатеринбург
Ваш город Екатеринбург?



