Все категории
  • Все категории
  • Для снегоходов
  • Для квадроциклов, мотовездеходов
  • Для катеров, лодок и яхт
  • Для лодочных моторов
  • Для стационарных моторов
  • Для гидроциклов
  • Для мотоциклов
  • Лодочные электромоторы
  • Гараж
  • Для спорта и отдыха
  • Для силовой техники, спецтехники
  • Изделия промышленного назначения
Найти
Все категории
  • Все категории
  • Для снегоходов
  • Для квадроциклов, мотовездеходов
  • Для катеров, лодок и яхт
  • Для лодочных моторов
  • Для стационарных моторов
  • Для гидроциклов
  • Для мотоциклов
  • Лодочные электромоторы
  • Гараж
  • Для спорта и отдыха
  • Для силовой техники, спецтехники
  • Изделия промышленного назначения
Найти
Екатеринбург
Ваш город Екатеринбург?
Предыдущий товар
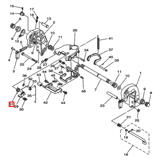
Пружина торсионная струбцина Yamaha 25-50 (Yamaha)
Следующий товар
Пружина тяги включения скорости Yamaha 25-225, F30-275 (90501-12082) (Yamaha)

Пружина торсионная струбцины подвески Yamaha 20-30;40-50 (Yamaha), арт. 689-43643-00, YAMAHA

Уточнить цену и срок поставки!
Заказ через менеджера!
Купить Пружина торсионная струбцины подвески Yamaha 20-30;40-50 (Yamaha), арт. 689-43643-00, YAMAHA
Добавить в избранное
Добавить к сравнению
Артикул: 689-43643-00
 Нет в наличии
250
Информация о доставке
Способ доставки
Служба доставки СДЭК
Рассчитываем стоимость доставки...
Помощь менеджера
Рассчитываем стоимость доставки...
Яндекс.Доставка (Доставка в другой день)
Рассчитываем стоимость доставки...
Почта России
Рассчитываем стоимость доставки...
Сообщить о поступлении
Сообщить о поступлении товара
Ваша просьба принята!

Вы получите уведомление о поступлении товара в продажу на указанные Вами контакты
Ваш E-Mail
Актуальность
- обязательно к заполнению
Проверка...
Заказать/спросить через:
Жми на ТЕГИ !
Оригинал и все аналоги по-данному артикулу !.
Оплата онлайн
Оплатите заказ банковской картой или по счету
Покупайте сразу, платите Долями
Платежи можно делить на четыре части с помощью сервиса «Долями»: вы платите 25 % и сразу забираете покупки, а остальные три части спишутся потом.
Отгрузка со склада в Екатеринбурге. а также СДЭКом со складов в Москве, Санкт-Петербурге, на Дальнем Востоке!
Доставка по городу и отправка товара в любой город России
Пружина торсионная струбцины подвески Yamaha 20-30;40-50 (Yamaha), арт. 689-43643-00, YAMAHA
250
Корзина